Главная > Подшипники> Шариковые> Упорные>NUP 2308 ECM

NUP 2308 ECM — Однорядный цилиндрический роликоподшипник, импортное производство по ISO стандарту, размер 90x40x33 номер основного исполнения NUP2308.
Производитель: SKF.
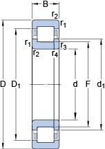
Однорядный цилиндрический роликоподшипник. Наружное кольцо имеет два борта, внутреннее — один борт и одно свободное фланцевое кольцо. Основные размеры по DIN 5412-1, относится к подтипу фиксированные подшипники, разъемные, с сепаратором.
EC = Оптимизированная внутренняя конструкция, включающая больше и / или более крупные ролики и с модифицированным контактом ролика / концевого фланца. M = Механически обработанный латунный сепаратор, центрируемый по роликам.
Цена от:1 064 р.
Цена на подшипник зависит от:
| Обозначение | Модификация |
|---|---|
| NUP2308 ECP | Однорядный цилиндрический роликоподшипник. Наружное кольцо имеет два борта, внутреннее — один борт и одно свободное фланцевое кольцо. Основные размеры по DIN 5412-1, относится к подтипу фиксированные подшипники, разъемные, с сепаратором. ЕС = эксцентриковый фиксатор воротника с утопленным внутренним кольцом на одной стороне. |
| NUP 2308 ECML | Однорядный цилиндрический роликоподшипник. Наружное кольцо имеет два борта, внутреннее — один борт и одно свободное фланцевое кольцо. Основные размеры по DIN 5412-1, относится к подтипу фиксированные подшипники, разъемные, с сепаратором. EC = Оптимизированная внутренняя конструкция, включающая больше и / или более крупные ролики и с модифицированным контактом ролика / концевого фланца. ML = монолитная латунная клетка оконного типа, центрированная по центру или наружному кольцу. |
Габаритные размеры
Размеры и геометрические характеристики
Нагрузка и ресурс
Коэффициенты для расчета
Присоединительные размеры
Прочие характеристики
Однорядный цилиндрический роликоподшипник NU2308 ECML (NKE, SKF)
Подшипник роликовый сферический 22308 E (SKF)
Подшипник роликовый сферический 22308 E/VA405 (SKF)
Однорядный цилиндрический роликовый подшипник NJ 2308 ECJ (SKF)
Однорядный цилиндрический роликоподшипник NJ 2308 ECPH (SKF)
Однорядный цилиндрический роликовый подшипник NJ 2308 ECP (SKF)