Главная > Подшипники> Роликовые > Радиальные>NUP 1096

NUP 1096 — Цилиндрический роликоподшипник, импортное производство по ISO стандарту номер основного исполнения NUP1096.
Производится брендами: CX, ISO, NACHI, NTN.
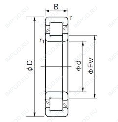
Однорядный цилиндрический роликоподшипник. Наружное кольцо имеет два борта, внутреннее — один борт и одно свободное фланцевое кольцо. Основные размеры по DIN 5412-1, относится к подтипу фиксированные подшипники, разъемные, с сепаратором.
Цена по запросу
Цена на подшипник зависит от:
Габаритные размеры
Размеры и геометрические характеристики
Нагрузка и ресурс
Цилиндрический роликоподшипник NJ2096 (CX, ISO)
Цилиндрический роликоподшипник NN3096 K (CX, ISO, KOYO)
Цилиндрический роликоподшипник NN3096 (CX, ISO, KOYO)
Подшипник роликовый цилиндрический двухрядный NN3096-AS-K-M-SP (FAG, INA)
Цилиндрический роликоподшипник NP3096 (CX, ISO)
Цилиндрический роликоподшипник NU 1096 (CX, ISB, ISO, NACHI, NSK)