Главная > Подшипники> Роликовые > Радиальные>NUP 1048

NUP 1048 — Цилиндрический роликоподшипник, импортное производство по ISO стандарту номер основного исполнения NUP1048.
Производится брендами: CX, ISO, KOYO, NACHI, NTN.
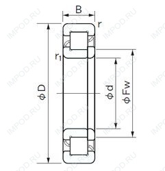
Однорядный цилиндрический роликоподшипник. Наружное кольцо имеет два борта, внутреннее — один борт и одно свободное фланцевое кольцо. Основные размеры по DIN 5412-1, относится к подтипу фиксированные подшипники, разъемные, с сепаратором.
Цена по запросу
Цена на подшипник зависит от:
Габаритные размеры
Размеры и геометрические характеристики
Нагрузка и ресурс
Цилиндрический роликоподшипник NN 3048 K (CX, ISO, KOYO, NACHI, NSK)
Подшипник роликовый цилиндрический двухрядный NN 3048 K/SPW33 (ISB, SKF)
Цилиндрический роликоподшипник NN 3048 (CX, ISO, KOYO, NACHI, NSK)
Цилиндрический роликоподшипник NN 3048 SPW33 (ISB)
Подшипник роликовый цилиндрический двухрядный NN3048-AS-K-M-SP (FAG, INA)
Цилиндрический роликоподшипник NN3048KC9NAP4 (NTN)