Главная > Подшипники> Роликовые > Радиальные>NUP 1030

NUP 1030 — Цилиндрический роликоподшипник, импортное производство по ISO стандарту номер основного исполнения NUP1030.
Производится брендами: CX, ISO, KOYO, NACHI, NTN.
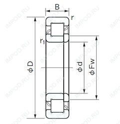
Однорядный цилиндрический роликоподшипник. Наружное кольцо имеет два борта, внутреннее — один борт и одно свободное фланцевое кольцо. Основные размеры по DIN 5412-1, относится к подтипу фиксированные подшипники, разъемные, с сепаратором.
Цена от:18 059 р.
Цена на подшипник зависит от:
Габаритные размеры
Размеры и геометрические характеристики
Нагрузка и ресурс
Подшипник роликовый цилиндрический двухрядный NN 3030 K (CX, ISO, KOYO, NACHI, NSK)
Подшипник роликовый цилиндрический двухрядный NN 3030 K/SPW33 (ISB, SKF)
Подшипник роликовый цилиндрический двухрядный NN 3030 SPW33 (ISB)
Цилиндрический роликоподшипник NN3030KC0NAP4 (NTN)
Цилиндрический роликоподшипник NN3030HSKC0NAP4 (NTN)