Главная > Подшипники> Роликовые > Радиальные>NUP 1026

NUP 1026 — Цилиндрический роликоподшипник, импортное производство по ISO стандарту номер основного исполнения NUP1026.
Производится брендами: CX, ISO, KOYO, NACHI, NTN.
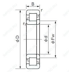
Однорядный цилиндрический роликоподшипник. Наружное кольцо имеет два борта, внутреннее — один борт и одно свободное фланцевое кольцо. Основные размеры по DIN 5412-1, относится к подтипу фиксированные подшипники, разъемные, с сепаратором.
Цена от:12 814 р.
Цена на подшипник зависит от:
Габаритные размеры
Размеры и геометрические характеристики
Нагрузка и ресурс
Цилиндрический роликоподшипник NJ1026ML (SKF)
Цилиндрический роликоподшипник NJ2026 (CX, ISO)
Прецизионный двухрядный Цилиндрический роликоподшипник NN 3026 TN9/SP (ISB, SKF)
Подшипник роликовый цилиндрический двухрядный NN 3026 K (CX, ISO, KOYO, NACHI, NSK)
Цилиндрический роликоподшипник NN3026/W33 (CYSD)