Главная > Подшипники> Роликовые > Радиальные>NUP 1020

NUP 1020 — Цилиндрический роликоподшипник, импортное производство по ISO стандарту номер основного исполнения NUP1020.
Производится брендами: CX, ISO, KOYO, NACHI, NSK, NTN.
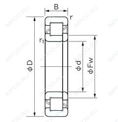
Однорядный цилиндрический роликоподшипник. Наружное кольцо имеет два борта, внутреннее — один борт и одно свободное фланцевое кольцо. Основные размеры по DIN 5412-1, относится к подтипу фиксированные подшипники, разъемные, с сепаратором.
Цена от:8 489 р.
Цена на подшипник зависит от:
Габаритные размеры
Размеры и геометрические характеристики
Нагрузка и ресурс
Подшипник шариковый упорный 18220Л (EPK)
Подшипник шариковый упорный 8220 К
Подшипник шариковый упорный 8220 НЛ (ГПЗ-23)
Подшипник упорный с короткими цилиндрическими роликами однорядный без колец 999220
Подшипник шариковый из нержавеющей стали S6020-2RS (ZEN)
Радиальный шарикоподшипник S6020 (ZEN)