Главная > Подшипники> Роликовые > Радиальные>NUP 1015

NUP 1015 — Цилиндрический роликоподшипник, импортное производство по ISO стандарту номер основного исполнения NUP1015.
Производится брендами: CX, ISO, KOYO, NACHI, NTN.
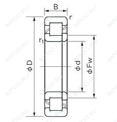
Однорядный цилиндрический роликоподшипник. Наружное кольцо имеет два борта, внутреннее — один борт и одно свободное фланцевое кольцо. Основные размеры по DIN 5412-1, относится к подтипу фиксированные подшипники, разъемные, с сепаратором.
Цена от:5 739 р.
Цена на подшипник зависит от:
Габаритные размеры
Размеры и геометрические характеристики
Нагрузка и ресурс
Радиальный шарикоподшипник S6015-2RS (ZEN)
Радиальный шарикоподшипник S6015 (ZEN)
Подшипник роликовый цилиндрический двухрядный NN 3015 K (CX, ISO, KOYO, NACHI, NSK)
Прецизионный двухрядный Цилиндрический роликоподшипник NN 3015 KTN/SP (ISB, SKF)
Подшипник роликовый цилиндрический двухрядный NN3015-AS-K-M-SP (FAG, INA)
Подшипник роликовый цилиндрический двухрядный NN3015C1NAP4 (NTN)