Главная > Подшипники> Роликовые > Радиальные>NUP 1014

NUP 1014 — Цилиндрический роликоподшипник, импортное производство по ISO стандарту номер основного исполнения NUP1014.
Производится брендами: CX, ISO, KOYO, NACHI, NSK, NTN.
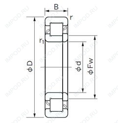
Однорядный цилиндрический роликоподшипник. Наружное кольцо имеет два борта, внутреннее — один борт и одно свободное фланцевое кольцо. Основные размеры по DIN 5412-1, относится к подтипу фиксированные подшипники, разъемные, с сепаратором.
Цена от:4 815 р.
Цена на подшипник зависит от:
Габаритные размеры
Размеры и геометрические характеристики
Нагрузка и ресурс
Подшипник шариковый упорный 188814 (ГПЗ-20)
Подшипник шариковый из нержавеющей стали S6014-2RS (ZEN)
Подшипник шариковый из нержавеющей стали S6014 (ZEN)
Однорядный цилиндрический роликовый подшипник NJ1014 M (AST)
Подшипник роликовый цилиндрический двухрядный NN 3014 K (CX, ISO, KOYO, NACHI, NSK)
Подшипник роликовый цилиндрический двухрядный NN 3014 TN/SP (ISB, SKF)