Главная > Подшипники> Роликовые > Радиальные>NUP 1011

NUP 1011 — Цилиндрический роликоподшипник, импортное производство по ISO стандарту номер основного исполнения NUP1011.
Производится брендами: CX, ISO, KOYO, NACHI, NTN.
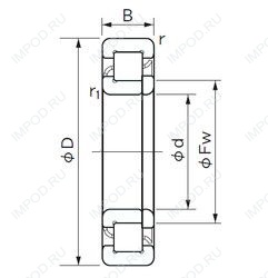
Однорядный цилиндрический роликоподшипник. Наружное кольцо имеет два борта, внутреннее — один борт и одно свободное фланцевое кольцо. Основные размеры по DIN 5412-1, относится к подтипу фиксированные подшипники, разъемные, с сепаратором.
Цена от:3 300 р.
Цена на подшипник зависит от:
Габаритные размеры
Размеры и геометрические характеристики
Нагрузка и ресурс
Подшипник шариковый упорный 18211 К (ГПЗ-2)
Подшипник шариковый упорный 688811 С17 (ГПЗ-20)
Подшипник шариковый упорный 688811 АКС17 (ГПЗ-20)
Подшипник шариковый упорный 688811 С23 (ГПЗ-20)
Подшипник шариковый упорный 688811 С9
Подшипник шариковый упорный 688811 АК1С17 (ГПЗ-20)