Главная > Подшипники> Роликовые > Радиальные>NUP 1010

NUP 1010 — Цилиндрический роликоподшипник, импортное производство по ISO стандарту номер основного исполнения NUP1010.
Производится брендами: CX, ISO, KOYO, NACHI, NSK, NTN.
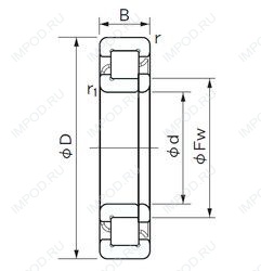
Однорядный цилиндрический роликоподшипник. Наружное кольцо имеет два борта, внутреннее — один борт и одно свободное фланцевое кольцо. Основные размеры по DIN 5412-1, относится к подтипу фиксированные подшипники, разъемные, с сепаратором.
Цена от:3 136 р.
Цена на подшипник зависит от:
Габаритные размеры
Размеры и геометрические характеристики
Нагрузка и ресурс
Подшипник роликовый упорный 129710 ЕС17 (ГПЗ-11)
Подшипник роликовый упорный 129710 (ГПЗ-11)
Подшипник роликовый упорный 129710 МС17 (ГПЗ-20)
Радиальный шарикоподшипник P6010-GB (ZEN)
Радиальный шарикоподшипник P6010-SB (ZEN)
Подшипник шариковый из нержавеющей стали S6010-2RS (ZEN)