Главная > Подшипники> Роликовые > Радиальные>NUP 1008

NUP 1008 — Цилиндрический роликоподшипник, импортное производство по ISO стандарту номер основного исполнения NUP1008.
Производится брендами: CX, ISO, KOYO, NACHI, NSK, NTN.
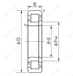
Однорядный цилиндрический роликоподшипник. Наружное кольцо имеет два борта, внутреннее — один борт и одно свободное фланцевое кольцо. Основные размеры по DIN 5412-1, относится к подтипу фиксированные подшипники, разъемные, с сепаратором.
Цена от:1 995 р.
Цена на подшипник зависит от:
Габаритные размеры
Размеры и геометрические характеристики
Нагрузка и ресурс
Подшипник шариковый упорный 18208 К (ГПЗ-2)
Подшипник шариковый упорный 5В0-58709 (ГПЗ-1)
Подшипник упорный с короткими цилиндрическими роликами однорядный без колец 999208
Радиальный шарикоподшипник NC6008 (KOYO)
Радиальный шарикоподшипник NC7008V (KOYO)
Радиальный шарикоподшипник P6008-GB (ZEN)