Главная > Подшипники> Шариковые> Упорные>NUB 222 ECJ

NUB 222 ECJ — Однорядный цилиндрический роликовый подшипник, импортное производство по ISO стандарту, размер 200x110x53 номер основного исполнения .
Производитель: SKF.
EC = Оптимизированная внутренняя конструкция, включающая больше и / или более крупные ролики и с модифицированным контактом ролика / концевого фланца. J = Прессованная стальная клетка, по центру ролика, не закаленная.
Цена по запросу
Цена на подшипник зависит от:
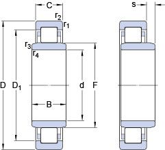
Габаритные размеры
Размеры и геометрические характеристики
Нагрузка и ресурс
Присоединительные размеры
Прочие характеристики
Однорядный цилиндрический роликовый подшипник NJ2222 ECP (FAG, SKF)
Однорядный цилиндрический роликовый подшипник NU2222 ECML (FAG, SKF)
Однорядный цилиндрический роликовый подшипник NU2222 ECP (FAG, SKF)
Однорядный цилиндрический роликовый подшипник NUP2222 ECP (FAG, SKF)
Подшипник роликовый сферический 22222 EK (SKF)
Подшипник роликовый сферический 22222 E (SKF)