Главная > Подшипники> Шариковые> Упорные>NUB 213 ECJ

NUB 213 ECJ — Однорядный цилиндрический роликоподшипник, импортное производство по ISO стандарту, размер 120x65x31 номер основного исполнения .
Производитель: SKF.
EC = Оптимизированная внутренняя конструкция, включающая больше и / или более крупные ролики и с модифицированным контактом ролика / концевого фланца. J = Прессованная стальная клетка, по центру ролика, не закаленная.
Цена от:2 181 р.
Цена на подшипник зависит от:
Габаритные размеры
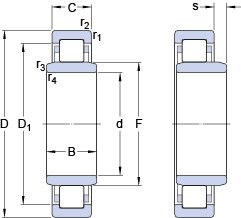
Размеры и геометрические характеристики
Нагрузка и ресурс
Присоединительные размеры
Прочие характеристики
Однорядный цилиндрический роликовый подшипник NU2213 ECJ (FAG, SKF)
Однорядный цилиндрический роликовый подшипник NUP2213 ECP (NKE, SKF)
Подшипник однорядный шариковый радиальный 62213 2RS1 (SKF)
Тороидальный роликовый подшипник CARB C 2213 KTN9 (SKF)
Тороидальный роликовый подшипник CARB C 2213 TN9 (SKF)
Тороидальный роликовый подшипник CARB C 2213 V (SKF)