Главная > Подшипники> Роликовые > Радиальные>NU1072-M6+HJ1072

NU1072-M6+HJ1072 — Цилиндрический роликоподшипник, импортное производство по ISO стандарту номер основного исполнения NU1072.
Производитель: NKE.
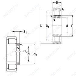
Однорядный цилиндрический роликоподшипник. Наружное кольцо подшипника имеет два борта, а внутреннее кольцо бортов не имеет.
H = высокая, узкая каретка для двухрядного шарикоподшипника и направляющей в сборе.
Цена от:115 273 р.
Цена на подшипник зависит от:
| Обозначение | Модификация |
|---|---|
| NU 1072 | Однорядный цилиндрический роликоподшипник. Наружное кольцо подшипника имеет два борта, а внутреннее кольцо бортов не имеет. |
| NU1072 M | Однорядный цилиндрический роликоподшипник. Наружное кольцо подшипника имеет два борта, а внутреннее кольцо бортов не имеет. M = массивный латунный сепаратор. |
| NU1072-M6 | Однорядный цилиндрический роликоподшипник. Наружное кольцо подшипника имеет два борта, а внутреннее кольцо бортов не имеет. M = массивный латунный сепаратор. |
| NU1072-M1 | Однорядный цилиндрический роликоподшипник. Наружное кольцо подшипника имеет два борта, а внутреннее кольцо бортов не имеет. M = массивный латунный сепаратор. |
| NU1072-M6E-MA6 | Однорядный цилиндрический роликоподшипник. Наружное кольцо подшипника имеет два борта, а внутреннее кольцо бортов не имеет. E = d ≤65 мм,два стальных сепаратора оконного типа, внутреннее кольцо без фланца и направляющая по центру внутреннего кольца. MA = массивный латунный сепаратор, центрирование по наружному кольцу. |
| NU1072-MA6+HJ1072 | Однорядный цилиндрический роликоподшипник. Наружное кольцо подшипника имеет два борта, а внутреннее кольцо бортов не имеет. MA = Механически обработанный латунный сепаратор, центрируемый по наружному кольцу. |
Габаритные размеры
Нагрузка и ресурс
Цилиндрический роликоподшипник NJ2072 (CX, ISO)
Цилиндрический роликоподшипник NN 3072 (CX, ISO, KOYO, NSK, NTN)
Подшипник роликовый цилиндрический двухрядный NN 3072 K/SPW33 (ISB, SKF)
Цилиндрический роликоподшипник NN 3072 K (CX, ISO, KOYO, NSK, NTN)
Подшипник роликовый цилиндрический двухрядный NN3072-AS-K-M-SP (FAG, INA)
Цилиндрический роликоподшипник NN3072KC1NAP4 (NTN)