Главная > Подшипники> Роликовые > Радиальные>NU 426

NU 426 — Цилиндрический роликоподшипник, импортное производство по ISO стандарту номер основного исполнения NU426.
Производится брендами: CX, ISO, KOYO, NACHI, NSK, NTN.
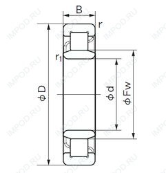
Однорядный цилиндрический роликоподшипник. Наружное кольцо подшипника имеет два борта, а внутреннее кольцо бортов не имеет.
Цена по запросу
Цена на подшипник зависит от:
| Обозначение | Модификация |
|---|---|
| NU426-M | Однорядный цилиндрический роликоподшипник. Наружное кольцо подшипника имеет два борта, а внутреннее кольцо бортов не имеет. M = массивный латунный сепаратор. |
Габаритные размеры
Размеры и геометрические характеристики
Нагрузка и ресурс
Цилиндрический роликоподшипник NJ 426 (CX, ISO, KOYO, NACHI, NSK)
Цилиндрический роликоподшипник NJ426-M+HJ426 (NKE)
Однорядный цилиндрический роликовый подшипник NJ426-M (NKE)
Цилиндрический роликоподшипник NP 426 (CX, ISO, NACHI)