Главная > Подшипники> Шариковые> Упорные>NU 39/1060 ECKMA/HA1

NU 39/1060 ECKMA/HA1 — Однорядный цилиндрический роликоподшипник, импортное производство по ISO стандарту, размер 1400x1060x250 номер основного исполнения .
Производитель: SKF.
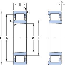
Однорядный цилиндрический роликоподшипник. Наружное кольцо подшипника имеет два борта, а внутреннее кольцо бортов не имеет.
K = коническое отверстие, конус 1:12. MA = обработанная латунная клетка с наружным кольцом.
Цена по запросу
Цена на подшипник зависит от:
Габаритные размеры
Размеры и геометрические характеристики
Нагрузка и ресурс
Коэффициенты для расчета
Присоединительные размеры
Прочие характеристики
Тороидальный роликовый подшипник CARB C 39/1060 MB (SKF)
Тороидальный роликовый подшипник CARB C 39/1060 KMB (SKF)
Сферический роликоподшипник с цилиндрическими и коническими отверстиями 239/1060 CAKF/W33 (SKF)