Главная > Подшипники> Шариковые> Упорные>NU 324 ECML

NU 324 ECML — Однорядный цилиндрический роликоподшипник, импортное производство по ISO стандарту, размер 260x120x55 номер основного исполнения 324.
Производитель: SKF.
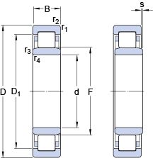
Однорядный цилиндрический роликоподшипник. Наружное кольцо подшипника имеет два борта, а внутреннее кольцо бортов не имеет.
EC = Оптимизированная внутренняя конструкция, включающая больше и / или более крупные ролики и с модифицированным контактом ролика / концевого фланца. ML = монолитная латунная клетка оконного типа, центрированная по центру или наружному кольцу.
Цена от:23 435 р.
Цена на подшипник зависит от:
| Обозначение | Модификация |
|---|---|
| Q324 | |
| N324 | Однорядный цилиндрический роликоподшипник. Внутреннее кольцо подшипника имеет два борта, наружное — без бортов. |
| UC324 | |
| UK324 | |
| NJ324 | Однорядный цилиндрический роликоподшипник. Наружное кольцо имеет два борта, наружное — один борт. |
| QJ324 | Шарикоподшипник с четырехточечным контактом. |
| NU324 | Однорядный цилиндрический роликоподшипник. Наружное кольцо подшипника имеет два борта, а внутреннее кольцо бортов не имеет. |
| NH324 | |
| NJ324R | Однорядный цилиндрический роликоподшипник. Наружное кольцо имеет два борта, наружное — один борт. R = Наружное кольцо с фланцем . |
| NP 324 | |
| NU324R | Однорядный цилиндрический роликоподшипник. Наружное кольцо подшипника имеет два борта, а внутреннее кольцо бортов не имеет. R = Наружное кольцо с фланцем . |
| N324 E | Однорядный цилиндрический роликоподшипник. Внутреннее кольцо подшипника имеет два борта, наружное — без бортов. Е = Увеличенная грузоподъемность. |
| N324EM | Однорядный цилиндрический роликоподшипник. Внутреннее кольцо подшипника имеет два борта, наружное — без бортов. E = Увеличенная грузоподъемность. М = Механически обработанный латунный сепаратор, центрируемый по роликам. |
| NF 324 | Внутреннем кольце с двойным фланцем, внешнее с одним. |
| NUP324 | Однорядный цилиндрический роликоподшипник. Наружное кольцо имеет два борта, внутреннее — один борт и одно свободное фланцевое кольцо. Основные размеры по DIN 5412-1, относится к подтипу фиксированные подшипники, разъемные, с сепаратором. |
| NJ324EM | Однорядный цилиндрический роликоподшипник. Наружное кольцо имеет два борта, наружное — один борт. E = Увеличенная грузоподъемность. М = Механически обработанный латунный сепаратор, центрируемый по роликам. |
| UC324G2 | G2 = установка с нормальным преднатягом. |
| NP324 E | Е = Увеличенная грузоподъемность. |
| UC324D1 | D1 = (Смазка сегмента, код W33) = Смазочная канавка и три отверстия в наружном кольце подшипника. Начиная с = D320 Суффикс D1 не используется. |
| UC324L3 | L = массивный сепаратор из лёгкого сплава. |
| UK324+H | H = высокая, узкая каретка для двухрядного шарикоподшипника и направляющей в сборе. |
| UK324L3 | L = массивный сепаратор из лёгкого сплава. |
| UK324D1 | D1 = (Смазка сегмента, код W33) = Смазочная канавка и три отверстия в наружном кольце подшипника. Начиная с = D320 Суффикс D1 не используется. |
| NUP324R | Однорядный цилиндрический роликоподшипник. Наружное кольцо имеет два борта, внутреннее — один борт и одно свободное фланцевое кольцо. Основные размеры по DIN 5412-1, относится к подтипу фиксированные подшипники, разъемные, с сепаратором. R = Наружное кольцо с фланцем . |
| NF324 E | Внутреннем кольце с двойным фланцем, внешнее с одним. Е = Увеличенная грузоподъемность. |
| NH324 E | Е = Увеличенная грузоподъемность. |
| NJ324EDF | Однорядный цилиндрический роликоподшипник. Наружное кольцо имеет два борта, наружное — один борт. Комплект подшипников расположенных лицом к лицу, дуплексная Х-образная пара. |
| NU 324 M | Однорядный цилиндрический роликоподшипник. Наружное кольцо подшипника имеет два борта, а внутреннее кольцо бортов не имеет. M = массивный латунный сепаратор. |
| NU 324 W | Однорядный цилиндрический роликоподшипник. Наружное кольцо подшипника имеет два борта, а внутреннее кольцо бортов не имеет. W = Без кольцевой канавки и смазочных отверстий в наружном кольце. |
| NU 324 E | Однорядный цилиндрический роликоподшипник. Наружное кольцо подшипника имеет два борта, а внутреннее кольцо бортов не имеет. Е = Увеличенная грузоподъемность. |
| UCS324D1 | D1 = (Смазка сегмента, код W33) = Смазочная канавка и три отверстия в наружном кольце подшипника. Начиная с = D320 Суффикс D1 не используется. |
| UK324G2H | G2 = установка с нормальным преднатягом. |
| N324 EMB | Однорядный цилиндрический роликоподшипник. Внутреннее кольцо подшипника имеет два борта, наружное — без бортов. E = Увеличенная грузоподъемность. М = Механически обработанный латунный сепаратор, центрируемый по роликам. |
| N324 ECM | Однорядный цилиндрический роликоподшипник. Внутреннее кольцо подшипника имеет два борта, наружное — без бортов. EC = Оптимизированная внутренняя конструкция, включающая больше и / или более крупные ролики и с модифицированным контактом ролика / концевого фланца. M = Механически обработанный латунный сепаратор, центрируемый по роликам. |
| N324 ECP | Однорядный цилиндрический роликоподшипник. Внутреннее кольцо подшипника имеет два борта, наружное — без бортов. ЕС = эксцентриковый фиксатор воротника с утопленным внутренним кольцом на одной стороне. |
| NJ 324 E | Однорядный цилиндрический роликоподшипник. Наружное кольцо имеет два борта, наружное — один борт. Е = Увеличенная грузоподъемность. |
| NJ324EG15 | Однорядный цилиндрический роликоподшипник. Наружное кольцо имеет два борта, наружное — один борт. E = Увеличенная грузоподъемность. G15 = Формованная литьевая клетка из армированного стекловолокном полиамида 6,6, с вращающимся элементом по центру. |
| NU324 ECJ | Однорядный цилиндрический роликоподшипник. Наружное кольцо подшипника имеет два борта, а внутреннее кольцо бортов не имеет. EC = Оптимизированная внутренняя конструкция, включающая больше и / или более крупные ролики и с модифицированным контактом ролика / концевого фланца. J = Прессованная стальная клетка, по центру ролика, не закаленная. |
| NU324 ECM | Однорядный цилиндрический роликоподшипник. Наружное кольцо подшипника имеет два борта, а внутреннее кольцо бортов не имеет. EC = Оптимизированная внутренняя конструкция, включающая больше и / или более крупные ролики и с модифицированным контактом ролика / концевого фланца. M = Механически обработанный латунный сепаратор, центрируемый по роликам. |
| QJ 324 N2 | Шарикоподшипник с четырехточечным контактом. N2 = Два установочных паза (выемки) на расстоянии 180 градусов в одной боковой поверхности наружного кольца или шайбе корпуса. |
| NU 324 EM | Однорядный цилиндрический роликоподшипник. Наружное кольцо подшипника имеет два борта, а внутреннее кольцо бортов не имеет. E = Увеличенная грузоподъемность. М = Механически обработанный латунный сепаратор, центрируемый по роликам. |
| NU 324 MA | Однорядный цилиндрический роликоподшипник. Наружное кольцо подшипника имеет два борта, а внутреннее кольцо бортов не имеет. MA = Механически обработанный латунный сепаратор, центрируемый по наружному кольцу. |
| NUP 324 M | Однорядный цилиндрический роликоподшипник. Наружное кольцо имеет два борта, внутреннее — один борт и одно свободное фланцевое кольцо. Основные размеры по DIN 5412-1, относится к подтипу фиксированные подшипники, разъемные, с сепаратором. M = массивный латунный сепаратор. |
| NU324EG15 | Однорядный цилиндрический роликоподшипник. Наружное кольцо подшипника имеет два борта, а внутреннее кольцо бортов не имеет. E = Увеличенная грузоподъемность. G15 = Формованная литьевая клетка из армированного стекловолокном полиамида 6,6, с вращающимся элементом по центру. |
| N324 E.M1 | Однорядный цилиндрический роликоподшипник. Внутреннее кольцо подшипника имеет два борта, наружное — без бортов. E = Увеличенная грузоподъемность. М = Механически обработанный латунный сепаратор, центрируемый по роликам. |
| NUP 324 E | Однорядный цилиндрический роликоподшипник. Наружное кольцо имеет два борта, внутреннее — один борт и одно свободное фланцевое кольцо. Основные размеры по DIN 5412-1, относится к подтипу фиксированные подшипники, разъемные, с сепаратором. Е = Увеличенная грузоподъемность. |
| N324-E-M6 | Однорядный цилиндрический роликоподшипник. Внутреннее кольцо подшипника имеет два борта, наружное — без бортов. E = Увеличенная грузоподъемность. М = Механически обработанный латунный сепаратор, центрируемый по роликам. |
| NUP324 EM | Однорядный цилиндрический роликоподшипник. Наружное кольцо имеет два борта, внутреннее — один борт и одно свободное фланцевое кольцо. Основные размеры по DIN 5412-1, относится к подтипу фиксированные подшипники, разъемные, с сепаратором. E = Увеличенная грузоподъемность. М = Механически обработанный латунный сепаратор, центрируемый по роликам. |
| NJ324 ECJ | Однорядный цилиндрический роликоподшипник. Наружное кольцо имеет два борта, наружное — один борт. EC = Оптимизированная внутренняя конструкция, включающая больше и / или более крупные ролики и с модифицированным контактом ролика / концевого фланца. J = Прессованная стальная клетка, по центру ролика, не закаленная. |
| NU 324 ECP | Однорядный цилиндрический роликоподшипник. Наружное кольцо подшипника имеет два борта, а внутреннее кольцо бортов не имеет. ЕС = эксцентриковый фиксатор воротника с утопленным внутренним кольцом на одной стороне. |
Габаритные размеры
Размеры и геометрические характеристики
Нагрузка и ресурс
Коэффициенты для расчета
Присоединительные размеры
Прочие характеристики
Подшипник шариковый радиальный однорядный 6324-RS1 (SKF)
однорядный радиальный шарикоподшипник INSOCOAT 6324 M/C3VL2071 (SKF)
Подшипник однорядный шариковый радиальный 6324/C3VL2071 (SKF)
Однорядный гибридный радиальный шарикоподшипник 6324/HC5C3S0VA970 (SKF)
Подшипник шариковый радиальный однорядный 6324-2RS1 (SKF)
Подшипник шариковый радиальный однорядный 6324-2Z (SKF)