Главная > Подшипники> Шариковые> Упорные>NU 2338 ECML

NU 2338 ECML — Однорядный цилиндрический роликоподшипник, импортное производство по ISO стандарту, размер 400x190x132 номер основного исполнения NU2338.
Производитель: SKF.
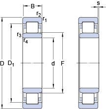
Однорядный цилиндрический роликоподшипник. Наружное кольцо подшипника имеет два борта, а внутреннее кольцо бортов не имеет.
EC = Оптимизированная внутренняя конструкция, включающая больше и / или более крупные ролики и с модифицированным контактом ролика / концевого фланца. ML = монолитная латунная клетка оконного типа, центрированная по центру или наружному кольцу.
Цена от:208 160 р.
Цена на подшипник зависит от:
Габаритные размеры
Размеры и геометрические характеристики
Нагрузка и ресурс
Коэффициенты для расчета
Присоединительные размеры
Прочие характеристики
Цилиндрический роликоподшипник повышенной грузоподъёмности NCF 2338 ECJB/PEX (SKF)
Цилиндрический роликоподшипник повышенной грузоподъёмности NCF 2338 ECJB (SKF)
Сферический роликоподшипник с цилиндрическими и коническими отверстиями 22338-2CS5/VT143 (SKF)
Подшипник роликовый сферический 22338 CC/W33 (SKF)