Главная > Подшипники> Шариковые> Упорные>NU 2334 ECML

NU 2334 ECML — Однорядный цилиндрический роликоподшипник, импортное производство по ISO стандарту, размер 360x170x120 номер основного исполнения NU2334.
Производитель: SKF.
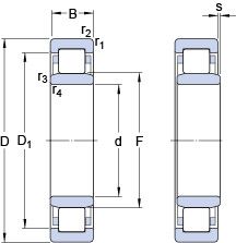
Однорядный цилиндрический роликоподшипник. Наружное кольцо подшипника имеет два борта, а внутреннее кольцо бортов не имеет.
EC = Оптимизированная внутренняя конструкция, включающая больше и / или более крупные ролики и с модифицированным контактом ролика / концевого фланца. ML = монолитная латунная клетка оконного типа, центрированная по центру или наружному кольцу.
Цена от:100 130 р.
Цена на подшипник зависит от:
Габаритные размеры
Размеры и геометрические характеристики
Нагрузка и ресурс
Коэффициенты для расчета
Присоединительные размеры
Прочие характеристики
Подшипник роликовый сферический 22334 CCJA.W33VA405 (FAG, SKF)
Цилиндрический роликоподшипник повышенной грузоподъёмности NCF 2334 ECJB/PEX (SKF)
Цилиндрический роликоподшипник повышенной грузоподъёмности NCF 2334 ECJB (SKF)
Подшипник роликовый сферический 22334 CCKJA/W33VA405 (SKF)
Подшипник роликовый сферический 22334 CCK/W33 (SKF)
Подшипник роликовый сферический 22334 CCJA/W33VA406 (SKF)