Главная > Подшипники> Шариковые> Упорные>NU 2307 ECP

NU 2307 ECP — Однорядный цилиндрический роликовый подшипник, импортное производство по ISO стандарту, размер 80x35x31 номер основного исполнения NU2307.
Производитель: SKF.
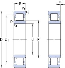
Однорядный цилиндрический роликоподшипник. Наружное кольцо подшипника имеет два борта, а внутреннее кольцо бортов не имеет.
ЕС = эксцентриковый фиксатор воротника с утопленным внутренним кольцом на одной стороне.
Цена от:1 347 р.
Цена на подшипник зависит от:
| Обозначение | Модификация |
|---|---|
| NU 2307 ECJ | Однорядный цилиндрический роликоподшипник. Наружное кольцо подшипника имеет два борта, а внутреннее кольцо бортов не имеет. EC = Оптимизированная внутренняя конструкция, включающая больше и / или более крупные ролики и с модифицированным контактом ролика / концевого фланца. J = Прессованная стальная клетка, по центру ролика, не закаленная. |
| NU 2307 ECPH | Однорядный цилиндрический роликоподшипник. Наружное кольцо подшипника имеет два борта, а внутреннее кольцо бортов не имеет. ЕС = эксцентриковый фиксатор воротника с утопленным внутренним кольцом на одной стороне. |
Габаритные размеры
Размеры и геометрические характеристики
Нагрузка и ресурс
Коэффициенты для расчета
Присоединительные размеры
Прочие характеристики
Однорядный цилиндрический роликовый подшипник NJ2307 ECP (FAG, SKF)
Однорядный цилиндрический роликовый подшипник NUP2307 ECP (FAG, SKF)
Подшипник однорядный шариковый радиальный 62307-2RS1 (SKF)
Самоустанавливающиеся шарикоподшипник с цилиндрическими и коническими отверстиями 2307 E-2RS1KTN9 (SKF)
Однорядный цилиндрический роликоподшипник NJ 2307 ECPH (SKF)