Главная > Подшипники> Шариковые> Упорные>NU 2211 ECP

NU 2211 ECP — Однорядный цилиндрический роликовый подшипник, импортное производство по ISO стандарту, размер 100x55x25 номер основного исполнения NU2211.
Производитель: SKF.
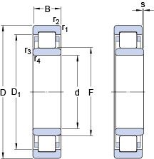
Однорядный цилиндрический роликоподшипник. Наружное кольцо подшипника имеет два борта, а внутреннее кольцо бортов не имеет.
ЕС = эксцентриковый фиксатор воротника с утопленным внутренним кольцом на одной стороне.
Цена от:1 517 р.
Цена на подшипник зависит от:
| Обозначение | Модификация |
|---|---|
| NU2211 ECJ | Однорядный цилиндрический роликоподшипник. Наружное кольцо подшипника имеет два борта, а внутреннее кольцо бортов не имеет. EC = Оптимизированная внутренняя конструкция, включающая больше и / или более крупные ролики и с модифицированным контактом ролика / концевого фланца. J = Прессованная стальная клетка, по центру ролика, не закаленная. |
Габаритные размеры
Размеры и геометрические характеристики
Нагрузка и ресурс
Коэффициенты для расчета
Присоединительные размеры
Прочие характеристики
Цилиндрический роликоподшипник NN3038 (CX, FAG, ISO, KOYO, NACHI)
Подшипник роликовый сферический 22211 E (IBC, SKF)
Однорядный цилиндрический роликовый подшипник NJ2211 ECJ (FAG, SKF)
Однорядный цилиндрический роликовый подшипник NJ2211 ECP (FAG, SKF)
Подшипник роликовый цилиндрический двухрядный NN3038 AS.K.M.SP (FAG, INA)
Подшипник роликовый цилиндрический двухрядный NN3038 K.SPW33 (FAG, ISB, SKF)