Главная > Подшипники> Шариковые> Упорные>NU 2210 ECPH

NU 2210 ECPH — Однорядный цилиндрический роликоподшипник, импортное производство по ISO стандарту, размер 90x50x23 номер основного исполнения NU2210.
Производитель: SKF.
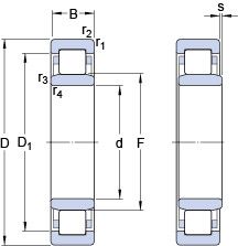
Однорядный цилиндрический роликоподшипник. Наружное кольцо подшипника имеет два борта, а внутреннее кольцо бортов не имеет.
ЕС = эксцентриковый фиксатор воротника с утопленным внутренним кольцом на одной стороне.
Цена от:1 064 р.
Цена на подшипник зависит от:
| Обозначение | Модификация |
|---|---|
| NU 2210 ECM | Однорядный цилиндрический роликоподшипник. Наружное кольцо подшипника имеет два борта, а внутреннее кольцо бортов не имеет. EC = Оптимизированная внутренняя конструкция, включающая больше и / или более крупные ролики и с модифицированным контактом ролика / концевого фланца. M = Механически обработанный латунный сепаратор, центрируемый по роликам. |
| NU 2210 ECJ | Однорядный цилиндрический роликоподшипник. Наружное кольцо подшипника имеет два борта, а внутреннее кольцо бортов не имеет. EC = Оптимизированная внутренняя конструкция, включающая больше и / или более крупные ролики и с модифицированным контактом ролика / концевого фланца. J = Прессованная стальная клетка, по центру ролика, не закаленная. |
| NU 2210 ECP | Однорядный цилиндрический роликоподшипник. Наружное кольцо подшипника имеет два борта, а внутреннее кольцо бортов не имеет. ЕС = эксцентриковый фиксатор воротника с утопленным внутренним кольцом на одной стороне. |
Габаритные размеры
Размеры и геометрические характеристики
Нагрузка и ресурс
Коэффициенты для расчета
Присоединительные размеры
Прочие характеристики
Однорядный цилиндрический роликовый подшипник NJ2210 ECJ (FAG, SKF)
Однорядный цилиндрический роликовый подшипник NJ2210 ECP (FAG, SKF)
Однорядный цилиндрический роликовый подшипник NUP2210 ECJ (NKE, SKF)
Подшипник однорядный шариковый радиальный 622102RS1 (SKF)
Подшипник шариковый двухрядный самоустанавливающийся 2210 EKTN9 (SKF)
Подшипник шариковый двухрядный самоустанавливающийся 2210 ETN9 (SKF)