Главная > Подшипники> Шариковые> Упорные>NU 2032 ECMA

NU 2032 ECMA — Однорядный цилиндрический роликоподшипник, импортное производство по ISO стандарту, размер 240x160x48 номер основного исполнения .
Производитель: SKF.
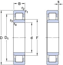
Однорядный цилиндрический роликоподшипник. Наружное кольцо подшипника имеет два борта, а внутреннее кольцо бортов не имеет.
EC = эксцентриковый фиксатор воротника с утопленным внутренним кольцом на одной стороне. MA = массивный латунный сепаратор, центрирование по наружному кольцу.
Цена по запросу
Цена на подшипник зависит от:
Габаритные размеры
Размеры и геометрические характеристики
Нагрузка и ресурс
Коэффициенты для расчета
Присоединительные размеры
Прочие характеристики