Главная > Подшипники> Шариковые> Упорные>NU 2026 ECMA

NU 2026 ECMA — Однорядный цилиндрический роликовый подшипник, импортное производство по ISO стандарту, размер 200x130x42 номер основного исполнения .
Производитель: SKF.
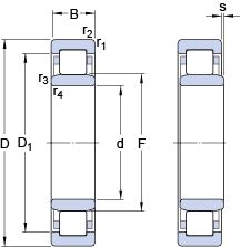
Однорядный цилиндрический роликоподшипник. Наружное кольцо подшипника имеет два борта, а внутреннее кольцо бортов не имеет.
EC = эксцентриковый фиксатор воротника с утопленным внутренним кольцом на одной стороне. MA = массивный латунный сепаратор, центрирование по наружному кольцу.
Цена по запросу
Цена на подшипник зависит от:
Габаритные размеры
Размеры и геометрические характеристики
Нагрузка и ресурс
Коэффициенты для расчета
Присоединительные размеры
Прочие характеристики