Главная > Подшипники> Шариковые> Упорные>NU 1996 KMA

NU 1996 KMA — Однорядный цилиндрический роликоподшипник, импортное производство по ISO стандарту, размер 650x480x78 номер основного исполнения .
Производитель: SKF.
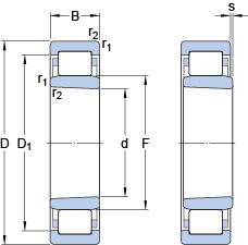
Однорядный цилиндрический роликоподшипник. Наружное кольцо подшипника имеет два борта, а внутреннее кольцо бортов не имеет.
K = коническое отверстие, конус 1:12. MA = обработанная латунная клетка с наружным кольцом.
Цена по запросу
Цена на подшипник зависит от:
Габаритные размеры
Размеры и геометрические характеристики
Нагрузка и ресурс
Коэффициенты для расчета
Присоединительные размеры
Прочие характеристики
Однорядный цилиндрический роликоподшипник NJ 1996 MA (SKF)
Однорядный цилиндрический роликоподшипник NU 1996 MA (SKF)