Главная > Подшипники> Роликовые > Радиальные>NU 1084

NU 1084 — Цилиндрический роликоподшипник, импортное производство по ISO стандарту номер основного исполнения NU1084.
Производится брендами: CX, ISB, ISO, KOYO, NACHI, NSK, NTN.
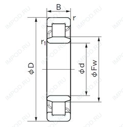
Однорядный цилиндрический роликоподшипник. Наружное кольцо подшипника имеет два борта, а внутреннее кольцо бортов не имеет.
Цена от:433 366 р.
Цена на подшипник зависит от:
| Обозначение | Модификация |
|---|---|
| NU1084-M1 | Однорядный цилиндрический роликоподшипник. Наружное кольцо подшипника имеет два борта, а внутреннее кольцо бортов не имеет. M = массивный латунный сепаратор. |
| NU1084-M6 | Однорядный цилиндрический роликоподшипник. Наружное кольцо подшипника имеет два борта, а внутреннее кольцо бортов не имеет. M = массивный латунный сепаратор. |
| NU1084-TB-M1 | Однорядный цилиндрический роликоподшипник. Наружное кольцо подшипника имеет два борта, а внутреннее кольцо бортов не имеет. B = 40 градусов угол контакта. M = обработанный латунный сепаратор, расположенныйна элементах качения. |
| NU1084-M6E-MA6 | Однорядный цилиндрический роликоподшипник. Наружное кольцо подшипника имеет два борта, а внутреннее кольцо бортов не имеет. E = d ≤65 мм,два стальных сепаратора оконного типа, внутреннее кольцо без фланца и направляющая по центру внутреннего кольца. MA = массивный латунный сепаратор, центрирование по наружному кольцу. |
Габаритные размеры
Размеры и геометрические характеристики
Нагрузка и ресурс
Цилиндрический роликоподшипник NJ2084 (CX, ISO)
Цилиндрический роликоподшипник NN 3084 K/SPW33 (ISB, SKF)
Цилиндрический роликоподшипник NN3084 K (CX, ISO, KOYO, NTN)
Цилиндрический роликоподшипник NN3084 (CX, ISO, KOYO, NTN)
Цилиндрический роликоподшипник NN3084KC1NAP4 (NTN)
Подшипник роликовый цилиндрический двухрядный NN3084-AS-K-M-SP (FAG, INA)