Главная > Подшипники> Роликовые > Радиальные сферические>NSA024A

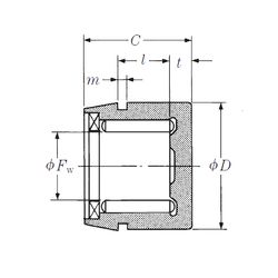
NSA024A — Игольчатый роликоподшипник, импортное производство по ISO стандарту, размер 14x25x16 номер основного исполнения .
Производитель: NSK.
A = внутренняя модификация конструкции.
Цена по запросу
Цена на подшипник зависит от:
Габаритные размеры
Размеры и геометрические характеристики
Нагрузка и ресурс
Защита
Конструкция и исполнение
Другие размеры