Главная > Подшипники> Роликовые > Радиальные сферические>NSA02001

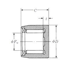
NSA02001 — Игольчатый роликоподшипник, импортное производство по ISO стандарту, размер 12x20x16 основное исполнение.
Производитель: NSK.
Цена по запросу
Цена на подшипник зависит от:
Габаритные размеры
Размеры и геометрические характеристики
Нагрузка и ресурс
Защита
Конструкция и исполнение