Главная > Подшипники> Роликовые > Упорные>NR1.14.1094.201-3PPN

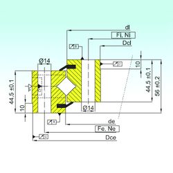
NR1.14.1094.201-3PPN — Подшипник роликовый опорно-поворотный, импортное производство по ISO стандарту, размер 1024x1164x56 номер основного исполнения .
Производитель: ISB.
P = Литой сепаратор из стеклонаполненного полиамида 6,6, центрируемый по телам качения.
Цена по запросу
Цена на подшипник зависит от:
Габаритные размеры
Размеры и геометрические характеристики
Защита
Конструкция и исполнение
Другие размеры