Главная > Подшипники> Роликовые > Радиально-упорные>NP401015/NP212181

NP401015/NP212181 — Конический роликоподшипник, импортное производство по ISO стандарту, размер 45x80x16 номер основного исполнения .
Производитель: TIMKEN.
N = Канавка под стопорное кольцо в наружном кольце. P = Литой сепаратор из стеклонаполненного полиамида 6,6, центрируемый по телам качения.
Цена от:4 519 р.
Цена на подшипник зависит от:
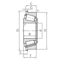
Габаритные размеры
Размеры и геометрические характеристики
Защита
Конструкция и исполнение