Главная > Подшипники> Роликовые > Радиально-упорные>NP218242/NP610846

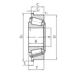
NP218242/NP610846 — Однорядный конический роликовый подшипник, импортное производство по ISO стандарту, размер 50x82x21 номер основного исполнения .
Производитель: TIMKEN.
N = Канавка под стопорное кольцо в наружном кольце. P = Литой сепаратор из стеклонаполненного полиамида 6,6, центрируемый по телам качения.
Цена от:2 179 р.
Цена на подшипник зависит от:
Габаритные размеры
Размеры и геометрические характеристики
Защита
Конструкция и исполнение
Подшипник роликовый радиально-упорный 7710 А
Конический роликоподшипник 4T-JLM104948/JLM104910 (NTN)
Конический роликоподшипник 4T-LM104949/LM104911 (NTN)
Конический роликоподшипник AB32010X/YKB32010X (TIMKEN)
Однорядный конический роликовый подшипник EC35231 (SNR)
Конический роликоподшипник H-LM104949/H-LM104912 (NACHI)