Главная > Подшипники> Роликовые > Радиально-упорные>NP183776/NP693218

NP183776/NP693218 — Однорядный конический роликовый подшипник, импортное производство по ISO стандарту, размер 28x56x14 номер основного исполнения .
Производитель: TIMKEN.
N = Канавка под стопорное кольцо в наружном кольце. P = Литой сепаратор из стеклонаполненного полиамида 6,6, центрируемый по телам качения.
Цена от:2 169 р.
Цена на подшипник зависит от:
Габаритные размеры
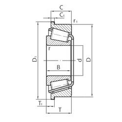
Размеры и геометрические характеристики
Защита
Конструкция и исполнение