Главная > Подшипники> Роликовые > Радиально-упорные>NP113979/NP693852

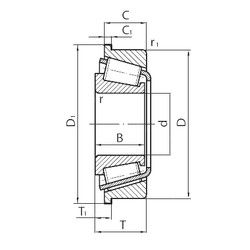
NP113979/NP693852 — Конический роликоподшипник, импортное производство по ISO стандарту, размер 34x59x16 номер основного исполнения .
Производитель: TIMKEN.
N = Канавка под стопорное кольцо в наружном кольце. P = Литой сепаратор из стеклонаполненного полиамида 6,6, центрируемый по телам качения.
Цена от:2 503 р.
Цена на подшипник зависит от:
Габаритные размеры
Размеры и геометрические характеристики
Защита
Конструкция и исполнение
Подшипник роликовый радиально-упорный 2007407A1 (EPK)
Подшипник роликовый радиально-упорный 2007707A1 (EPK)
Конический роликоподшипник 4T-L68149/L68110 (NTN)