Главная > Подшипники> Роликовые > Радиальные>NP 430

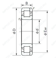
NP 430 — Цилиндрический роликоподшипник, импортное производство по ISO стандарту, размер 150x380x85 номер основного исполнения NP430.
Производится брендами: CX, ISO, NACHI.
Цена по запросу
Цена на подшипник зависит от:
Габаритные размеры
Размеры и геометрические характеристики
Нагрузка и ресурс
Защита
Присоединительные размеры
Конструкция и исполнение
Подшипник роликовый радиальный с короткими цилиндрическими роликами без бортов на наружном кольце 2430
Подшипник роликовый радиальный с короткими цилиндрическими роликами без бортов на внутреннем кольце 32430
Подшипник роликовый радиальный с короткими цилиндрическими роликами с однобортовым внутренним кольцом 42430
Подшипник роликовый радиальный 62430
Подшипник роликовый радиальный с короткими цилиндрическими роликами с однобортовым внутренним кольцом и с плоским упорным кольцом 92430
Цилиндрический роликоподшипник N 430 (CX, ISO, KOYO, NACHI)