Главная > Подшипники> Роликовые > Радиальные>NP 422

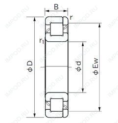
NP 422 — Цилиндрический роликоподшипник, импортное производство по ISO стандарту, размер 110x280x65 номер основного исполнения NP422.
Производится брендами: CX, ISO, NACHI.
Цена по запросу
Цена на подшипник зависит от:
Габаритные размеры
Размеры и геометрические характеристики
Нагрузка и ресурс
Защита
Присоединительные размеры
Конструкция и исполнение
Подшипник роликовый радиальный с короткими цилиндрическими роликами с однобортовым внутренним кольцом 42422
Подшипник роликовый радиальный с короткими цилиндрическими роликами без бортов на внутреннем кольце 32422
Подшипник роликовый радиальный 62422
Подшипник роликовый радиальный с короткими цилиндрическими роликами без бортов на наружном кольце 2422
Подшипник роликовый радиальный с короткими цилиндрическими роликами с однобортовым внутренним кольцом 30-42422 М (ГПЗ-1)
Подшипник роликовый радиальный с короткими цилиндрическими роликами без бортов на внутреннем кольце 32422 М