Главная > Подшипники> Роликовые > Радиальные>NP 352

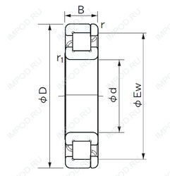
NP 352 — Цилиндрический роликоподшипник, импортное производство по ISO стандарту, размер 260x540x102 номер основного исполнения NP352.
Производитель: NACHI.
Цена по запросу
Цена на подшипник зависит от:
Габаритные размеры
Размеры и геометрические характеристики
Нагрузка и ресурс
Защита
Присоединительные размеры
Конструкция и исполнение
Подшипник роликовый радиальный с короткими цилиндрическими роликами без бортов на наружном кольце 2352
Подшипник роликовый радиальный с короткими цилиндрическими роликами с однобортовым внутренним кольцом 42352
Подшипник роликовый радиальный с короткими цилиндрическими роликами с однобортовым внутренним кольцом и с плоским упорным кольцом 92352
Подшипник шариковый радиально-упорный однорядный с разъемным наружным кольцом с четырехточечным контактом 116352
Подшипник шариковый радиально-упорный однорядный с разъемным внутренним кольцом с четырехточечным контактом 176352
Подшипник роликовый радиально-упорный 7352М1