Главная > Подшипники> Роликовые > Радиальные>NP 348

NP 348 — Цилиндрический роликоподшипник, импортное производство по ISO стандарту, размер 240x500x95 номер основного исполнения NP348.
Производится брендами: ISO, NACHI.
Цена по запросу
Цена на подшипник зависит от:
| Обозначение | Модификация |
|---|---|
| NP348 E | Е = Увеличенная грузоподъемность. |
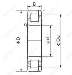
Габаритные размеры
Размеры и геометрические характеристики
Нагрузка и ресурс
Защита
Присоединительные размеры
Конструкция и исполнение
Однорядный цилиндрический роликовый подшипник NU348 (FAG, ISB, ISO, KOYO, NACHI)
Однорядный цилиндрический роликовый подшипник NU348 E.M1 (FAG)
Однорядный цилиндрический роликовый подшипник NU348 E.M1.C3 (FAG)
Подшипник роликовый радиальный с короткими цилиндрическими роликами без бортов на наружном кольце 2348
Подшипник роликовый радиальный с короткими цилиндрическими роликами с однобортовым внутренним кольцом 42348
Подшипник роликовый радиальный с короткими цилиндрическими роликами с однобортовым внутренним кольцом и с плоским упорным кольцом 92348