Главная > Подшипники> Роликовые > Радиальные>NP 340

NP 340 — Цилиндрический роликоподшипник, импортное производство по ISO стандарту, размер 200x420x80 номер основного исполнения NP340.
Производится брендами: ISO, NACHI.
Цена по запросу
Цена на подшипник зависит от:
| Обозначение | Модификация |
|---|---|
| NP340 E | Е = Увеличенная грузоподъемность. |
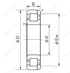
Габаритные размеры
Размеры и геометрические характеристики
Нагрузка и ресурс
Защита
Присоединительные размеры
Конструкция и исполнение
Подшипник шариковый радиальный 6340 (CX, FAG, ISO, KOYO, NACHI)
Однорядный цилиндрический роликовый подшипник NU340 (FAG, ISB, ISO, KOYO, NACHI)
Подшипник однорядный шариковый радиальный 6340 M (FAG, NKE)
Подшипник однорядный шариковый радиальный 6340 M.C3 (FAG)
Однорядный цилиндрический роликовый подшипник NU340 E.M1.C3 (FAG)