Главная > Подшипники> Роликовые > Радиальные>NP 336

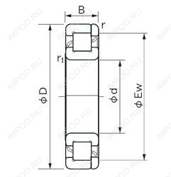
NP 336 — Цилиндрический роликоподшипник, импортное производство по ISO стандарту, размер 180x380x75 номер основного исполнения NP336.
Производится брендами: ISO, NACHI.
Цена по запросу
Цена на подшипник зависит от:
| Обозначение | Модификация |
|---|---|
| NP336 E | Е = Увеличенная грузоподъемность. |
Габаритные размеры
Размеры и геометрические характеристики
Нагрузка и ресурс
Защита
Присоединительные размеры
Конструкция и исполнение
Радиально-упорный шарикоподшипник 7336 (FAG, KOYO, NACHI, NTN)
Подшипник однорядный шариковый радиальный 6336 (CX, FAG, ISO, KOYO, NACHI)
Подшипник шариковый радиально-упорный QJ336 (CX, FAG, ISO, NSK)
Подшипник роликовый радиальный с короткими цилиндрическими роликами с однобортовым внутренним кольцом 42336
Подшипник шариковый однорядный радиально-упорный 7336 B.MP.UA (FAG)