Главная > Подшипники> Роликовые > Радиальные>NP 260

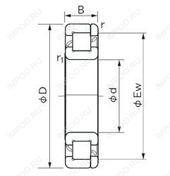
NP 260 — Цилиндрический роликоподшипник, импортное производство по ISO стандарту, размер 300x540x85 номер основного исполнения NP260.
Производится брендами: ISO, NACHI.
Цена по запросу
Цена на подшипник зависит от:
| Обозначение | Модификация |
|---|---|
| NP260 E | Е = Увеличенная грузоподъемность. |
Габаритные размеры
Размеры и геометрические характеристики
Нагрузка и ресурс
Защита
Присоединительные размеры
Конструкция и исполнение
Подшипник роликовый радиальный с короткими цилиндрическими роликами без бортов на наружном кольце 2260
Подшипник роликовый радиальный с короткими цилиндрическими роликами с однобортовым внутренним кольцом 42260
Подшипник роликовый радиальный с короткими цилиндрическими роликами с однобортовым внутренним кольцом и с плоским упорным кольцом 92260
Подшипник шариковый радиально-упорный однорядный с разъемным наружным кольцом с четырехточечным контактом 116260
Подшипник шариковый радиально-упорный однорядный с разъемным внутренним кольцом с четырехточечным контактом 176260
Подшипник шариковый радиальный 6260 (CX, ISO, KOYO, NACHI, NIS)