Главная > Подшипники> Роликовые > Радиальные>NP 1068

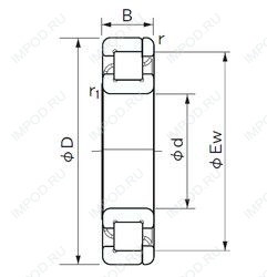
NP 1068 — Цилиндрический роликоподшипник, импортное производство по ISO стандарту, размер 340x520x82 номер основного исполнения NP1068.
Производитель: NACHI.
Цена по запросу
Цена на подшипник зависит от:
Габаритные размеры
Размеры и геометрические характеристики
Нагрузка и ресурс
Защита
Присоединительные размеры
Конструкция и исполнение
Однорядный цилиндрический роликовый подшипник NU1068 (CX, ISB, ISO, KOYO, NACHI)
Подшипник однорядный шариковый радиальный 6068 (CX, FAG, ISO, KOYO, NIS)
Однорядный цилиндрический роликовый подшипник NU1068 MA (SKF, TIMKEN)
Подшипник однорядный шариковый радиальный 6068 M.C3 (FAG)
Подшипник шариковый радиальный однорядный 168
Подшипник роликовый радиальный с короткими цилиндрическими роликами без бортов на наружном кольце 2168