Главная > Подшипники> Роликовые > Радиальные>NP 1056

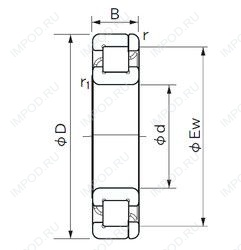
NP 1056 — Цилиндрический роликоподшипник, импортное производство по ISO стандарту, размер 260x420x65 номер основного исполнения NP1056.
Производитель: NACHI.
Цена по запросу
Цена на подшипник зависит от:
Габаритные размеры
Размеры и геометрические характеристики
Нагрузка и ресурс
Защита
Присоединительные размеры
Конструкция и исполнение