Главная > Подшипники> Роликовые > Радиальные>NP 1036

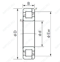
NP 1036 — Цилиндрический роликоподшипник, импортное производство по ISO стандарту, размер 180x280x46 номер основного исполнения NP1036.
Производитель: NACHI.
Цена по запросу
Цена на подшипник зависит от:
Габаритные размеры
Размеры и геометрические характеристики
Нагрузка и ресурс
Защита
Присоединительные размеры
Конструкция и исполнение
Однорядный цилиндрический роликовый подшипник NU1036 (CX, CYSD, FAG, ISB, ISO)
Подшипник шариковый однорядный радиально-упорный 7036 (CYSD, KOYO, NACHI, NTN, SKF)
Подшипник шариковый радиальный однорядный 136
Подшипник роликовый радиальный с короткими цилиндрическими роликами без бортов на внутреннем кольце 32136
Подшипник шариковый однорядный радиально-упорный B7036 C.T.P4S.UL (FAG)