Главная > Подшипники> Роликовые > Радиальные>NP 1006

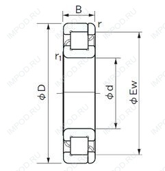
NP 1006 — Цилиндрический роликоподшипник, импортное производство по ISO стандарту, размер 30x55x13 номер основного исполнения NP1006.
Производитель: NACHI.
Цена по запросу
Цена на подшипник зависит от:
Габаритные размеры
Размеры и геометрические характеристики
Нагрузка и ресурс
Защита
Присоединительные размеры
Конструкция и исполнение
Подшипник шариковый радиальный однорядный с двухсторонним уплотнением 180106
Подшипник шариковый радиальный однорядный 106
Подшипник шариковый радиальный однорядный с одной защитной шайбой 60106
Подшипник шариковый радиальный однорядный с двумя защитными шайбами 80106
Подшипник шариковый радиально-упорный 746106 (ГПЗ-2)
Однорядный цилиндрический роликовый подшипник NU1006 M1 (FAG)