Главная > Подшипники> Роликовые > Радиальные>NNF 5020 ADA-2LSV

NNF 5020 ADA-2LSV — Подшипник роликовый цилиндрический двухрядный, импортное производство по ISO стандарту, размер 150x100x67 номер основного исполнения nnf5020.
Производитель: SKF.
ADA = 2LSV = PP = (Сегментное уплотнение, код 2L) = Манжетные уплотнения с обеих сторон подшипника.
Цена от:16 353 р.
Цена на подшипник зависит от:
| Обозначение | Модификация |
|---|---|
| NNF5020 | Основное конструктивное исполнение. |
| NNF5020 V | V = Увеличенная грузоподъемность, внутренняя модификация конструкции. |
| NNF5020 PP | P = Литой сепаратор из стеклонаполненного полиамида 6,6, центрируемый по телам качения. |
| NNF5020-2LS-V | 2LS = (сегментное уплотнение, код 2L) = Контактное уплотнение LS с обеих сторон подшипника. |
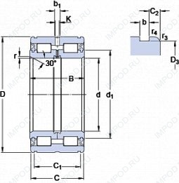
Габаритные размеры
Размеры и геометрические характеристики
Нагрузка и ресурс
Коэффициенты для расчета
Присоединительные размеры
Конструкция и исполнение
Прочие характеристики