Главная > Подшипники> Роликовые > Радиальные>NN3080-AS-K-M-SP

NN3080-AS-K-M-SP — Подшипник роликовый цилиндрический двухрядный, импортное производство по ISO стандарту номер основного исполнения NN3080.
Производится брендами: FAG, INA.
Двухрядный цилиндрический роликоподшипник.
SP = Специальный класс точности для подшипников станков: точность размеров приблизительно до P5, точность хода приблизительно до P4.
Цена по запросу
Цена на подшипник зависит от:
| Обозначение | Модификация |
|---|---|
| NN3080 | Основное конструктивное исполнение. |
| NN3080 K | Двухрядный цилиндрический роликоподшипник. К = Коническая посадка, конусность 1:12. |
| NN3080C1NAP4 | Двухрядный цилиндрический роликоподшипник. C1NAP4 = C1NA = Внутренний радиальный зазор без взаимозаменяемости для цилиндрического роликоподшипника. P4 = класс точности ISO P4. |
| NN3080KC1NAP4 | Двухрядный цилиндрический роликоподшипник. C1NAP4 = C1NA = Внутренний радиальный зазор без взаимозаменяемости для цилиндрического роликоподшипника. P4 = класс точности ISO P4. |
| NN 3080 K/SPW33 | Двухрядный цилиндрический роликоподшипник. K = коническое отверстие, конус 1:12. SP = Специальный класс точности для подшипников станков, Точность измерений приблизительно до P5, точность измерения приблизительно до P4. W33 = Смазочный паз и три отверстия в наружном кольце подшипника. |
| NN3080KW-1D1C0NAP5 | Двухрядный цилиндрический роликоподшипник. P5 = Подшипники 5-го класса точности DIN |
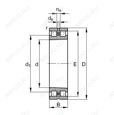
Габаритные размеры
Размеры и геометрические характеристики
Нагрузка и ресурс
Цилиндрический роликоподшипник NJ2080 (CX, ISO)
Цилиндрический роликоподшипник NP3080 (CX, ISO)
Цилиндрический роликоподшипник NU 1080 (CX, ISB, ISO, KOYO, NACHI)
Однорядный цилиндрический роликовый подшипник NU1080-TB-M1 (FAG)
Цилиндрический роликоподшипник NU1080-M6 (NKE)