Главная > Подшипники> Роликовые > Радиальные>NN3044-AS-K-M-SP

NN3044-AS-K-M-SP — Подшипник роликовый цилиндрический двухрядный, импортное производство по ISO стандарту номер основного исполнения NN3044.
Производится брендами: FAG, INA.
Двухрядный цилиндрический роликоподшипник.
SP = Специальный класс точности для подшипников станков: точность размеров приблизительно до P5, точность хода приблизительно до P4.
Цена от:75 220 р.
Цена на подшипник зависит от:
| Обозначение | Модификация |
|---|---|
| NN 3044 | Двухрядный цилиндрический роликоподшипник. |
| NN 3044 K | Двухрядный цилиндрический роликоподшипник. К = Коническая посадка, конусность 1:12. |
| NN3044C1NAP5 | Двухрядный цилиндрический роликоподшипник. P5 = Подшипники 5-го класса точности DIN |
| NN3044C1NAP4 | Двухрядный цилиндрический роликоподшипник. C1NAP4 = C1NA = Внутренний радиальный зазор без взаимозаменяемости для цилиндрического роликоподшипника. P4 = класс точности ISO P4. |
| NN3044KC1NAP5 | Двухрядный цилиндрический роликоподшипник. P5 = Подшипники 5-го класса точности DIN |
| NN 3044 SPW33 | Двухрядный цилиндрический роликоподшипник. SP = Специальный класс точности для подшипников станков: точность размеров приблизительно до P5, точность хода приблизительно до P4. W33 = Смазочный паз и три отверстия в наружном кольце подшипника. |
| NN3044KC1NAP4 | Двухрядный цилиндрический роликоподшипник. C1NAP4 = C1NA = Внутренний радиальный зазор без взаимозаменяемости для цилиндрического роликоподшипника. P4 = класс точности ISO P4. |
| NN3044KC9NAP4 | Двухрядный цилиндрический роликоподшипник. радиальные шарикоподшипники однорядные |
| NN3044KC9NAP5 | Двухрядный цилиндрический роликоподшипник. радиальные шарикоподшипники однорядные |
| NN 3044 K/SPW33 | Двухрядный цилиндрический роликоподшипник. K = коническое отверстие, конус 1:12. SP = Специальный класс точности для подшипников станков, Точность измерений приблизительно до P5, точность измерения приблизительно до P4. W33 = Смазочный паз и три отверстия в наружном кольце подшипника. |
| NN3044KD1C0NAP5 | Двухрядный цилиндрический роликоподшипник. P5 = Подшипники 5-го класса точности DIN |
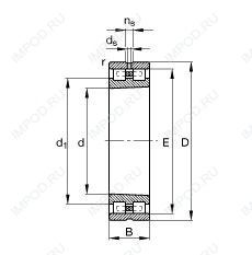
Габаритные размеры
Размеры и геометрические характеристики
Нагрузка и ресурс
Цилиндрический роликоподшипник NU1044-E-MA6 (NKE)
Цилиндрический роликоподшипник NU1044-E-M6 (NKE)
Цилиндрический роликоподшипник NUP 1044 (CX, ISO, KOYO, NACHI, NTN)
Цилиндрический роликоподшипник RS-5044NR (NSK)
Цилиндрический роликоподшипник RS-5044 (NSK)