Главная > Подшипники> Роликовые > Радиальные>NN3007-AS-K-M-SP

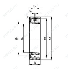
NN3007-AS-K-M-SP — Подшипник роликовый цилиндрический двухрядный, импортное производство по ISO стандарту номер основного исполнения NN3007.
Производится брендами: FAG, INA.
Двухрядный цилиндрический роликоподшипник.
SP = Специальный класс точности для подшипников станков: точность размеров приблизительно до P5, точность хода приблизительно до P4.
Цена от:4 815 р.
Цена на подшипник зависит от:
| Обозначение | Модификация |
|---|---|
| NN 3007 | Двухрядный цилиндрический роликоподшипник. |
| NN3007MB | Двухрядный цилиндрический роликоподшипник. MB = Обработанный латунный сепаратор с внутренним кольцом. |
| NN3007TB | Двухрядный цилиндрический роликоподшипник. ТВ = текстолитовый сепаратор, центрируемый по внутреннему кольцу. |
| NN 3007 K | Двухрядный цилиндрический роликоподшипник. К = Коническая посадка, конусность 1:12. |
| NN3007ZTB | Двухрядный цилиндрический роликоподшипник. ТВ = текстолитовый сепаратор, центрируемый по внутреннему кольцу. |
| NN3007TBKR | Двухрядный цилиндрический роликоподшипник. BK = K = коническое отверстие, конус 1:12. D1 = Смазочное отверстие и три отверстия в наружном кольце подшипника. |
| NN3007MBKR | Двухрядный цилиндрический роликоподшипник. BK = K = коническое отверстие, конус 1:12. D1 = Смазочное отверстие и три отверстия в наружном кольце подшипника. |
| NN 3007/SP | Двухрядный цилиндрический роликоподшипник. SP = Специальный класс точности для подшипников станков: точность размеров приблизительно до P5, точность хода приблизительно до P4. |
| NN3007ZTBKR | Двухрядный цилиндрический роликоподшипник. BK = K = коническое отверстие, конус 1:12. D1 = Смазочное отверстие и три отверстия в наружном кольце подшипника. |
| NN 3007 K/SP | Двухрядный цилиндрический роликоподшипник. K = Коническое отверстие, конус 1:12.SP = Специальный класс точности для подшипников станков: точность размеров приблизительно до P5, точность хода приблизительно до P4. |
| NN3007C1NAP4 | Двухрядный цилиндрический роликоподшипник. C1NAP4 = C1NA = Внутренний радиальный зазор без взаимозаменяемости для цилиндрического роликоподшипника. P4 = класс точности ISO P4. |
| NN3007KC1NAP4 | Двухрядный цилиндрический роликоподшипник. C1NAP4 = C1NA = Внутренний радиальный зазор без взаимозаменяемости для цилиндрического роликоподшипника. P4 = класс точности ISO P4. |
Габаритные размеры
Размеры и геометрические характеристики
Нагрузка и ресурс
Подшипник шариковый упорный 5-88207 Ю2Т (ГПЗ-2)
Подшипник упорный шариковый одинарный 5-8207 ЮТ (ГПЗ-2)
Подшипник шариковый упорный 8207 Ю (ГПЗ-2)
Подшипник шариковый упорный 958707 (ГПЗ-20)
Подшипник шариковый упорный 88207 Ю2Т (ГПЗ-2)
Подшипник упорный с короткими цилиндрическими роликами однорядный без колец 999207