Главная > Подшипники> Роликовые > Радиальные сферические>NK5/12-TV

NK5/12-TV — Роликовый игольчатый подшипник, импортное производство по ISO стандарту, размер 5x10x12 номер основного исполнения .
Производитель: INA.
Игольчатый роликоподшипник.
TV = Твердая клетка из армированного стекловолокном полиамида, шариковая езда.
Цена от:209 р.
Цена на подшипник зависит от:
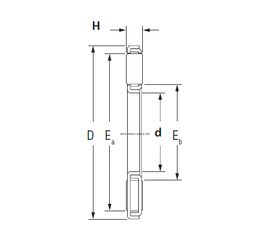
Габаритные размеры
Размеры и геометрические характеристики
Нагрузка и ресурс
Роликовый игольчатый подшипник NK 5/12 TN (AST, KOYO, NBS, NIS, SKF)
Игольчатый роликоподшипник NK 5/12-TN-XL (INA)
Роликовый игольчатый подшипник NK5/12 (CX, ISO, JNS, NTN)
Подшипник игольчатый радиальный NK5/12M (JNS)
Роликовый игольчатый подшипник NK5/12T2 (NTN)