Главная > Подшипники> Роликовые > Радиальные>NK 10/12 TN

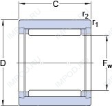
NK 10/12 TN — Роликовый игольчатый подшипник, импортное производство по ISO стандарту, размер 10x17x12 номер основного исполнения .
Производится брендами: AST, NBS, NIS, SKF.
Игольчатый роликоподшипник.
TN = Полиамидная клетка.
Цена от:130 р.
Цена на подшипник зависит от:
Габаритные размеры
Размеры и геометрические характеристики
Нагрузка и ресурс
Защита
Конструкция и исполнение
Прочие характеристики
Подшипник игольчатый радиальный BHTM1012-1 (KOYO)
Игольчатый роликоподшипник FJL-1012L (NSK)
Игольчатый роликоподшипник FJLT-1012 (NSK)
Роликовый игольчатый подшипник HMK1012 (NTN)
Игольчатый роликоподшипник HMK1012L (NTN)
Игольчатый роликоподшипник MFJL-1012L (NSK)